Boiler Excess Air . Web much excess air can lower boiler efficiency. Web a boiler’s excess air supply provides for safe operation above stoichiometric conditions. Web too much excess air leads to lower flame temperature. Web operating your boiler with an optimum amount of excess air will minimize heat loss up the stack and improve combustion efficiency. Boilers are most efficient when. Web power plant boilers normally run about 10 to 20 percent excess air. So a balance must be found between providing the optimal amount of excess air to achieve. That means less heat gets into the system. Web optimizing boilers efficiency is important to minimize fuel consumption and unwanted excess to the environment. Web one primary factor affecting a boiler’s efficiency is excess air used in the fuel combustion. Also, excess air must heat up to flue gas temperature, which.
from sstsensing.com
Web one primary factor affecting a boiler’s efficiency is excess air used in the fuel combustion. That means less heat gets into the system. Web much excess air can lower boiler efficiency. Web a boiler’s excess air supply provides for safe operation above stoichiometric conditions. Also, excess air must heat up to flue gas temperature, which. So a balance must be found between providing the optimal amount of excess air to achieve. Web too much excess air leads to lower flame temperature. Web optimizing boilers efficiency is important to minimize fuel consumption and unwanted excess to the environment. Web operating your boiler with an optimum amount of excess air will minimize heat loss up the stack and improve combustion efficiency. Boilers are most efficient when.
Boiler Combustion Efficiency Zirconia Oxygen Sensors
Boiler Excess Air Also, excess air must heat up to flue gas temperature, which. Also, excess air must heat up to flue gas temperature, which. Web optimizing boilers efficiency is important to minimize fuel consumption and unwanted excess to the environment. Web much excess air can lower boiler efficiency. Web operating your boiler with an optimum amount of excess air will minimize heat loss up the stack and improve combustion efficiency. So a balance must be found between providing the optimal amount of excess air to achieve. That means less heat gets into the system. Web one primary factor affecting a boiler’s efficiency is excess air used in the fuel combustion. Boilers are most efficient when. Web power plant boilers normally run about 10 to 20 percent excess air. Web too much excess air leads to lower flame temperature. Web a boiler’s excess air supply provides for safe operation above stoichiometric conditions.
From chemeng-processing.blogspot.com
Optimizing a Boilers Efficiency Chemical Engineering Processing Boiler Excess Air Web much excess air can lower boiler efficiency. Also, excess air must heat up to flue gas temperature, which. That means less heat gets into the system. So a balance must be found between providing the optimal amount of excess air to achieve. Web too much excess air leads to lower flame temperature. Web power plant boilers normally run about. Boiler Excess Air.
From basc.pnnl.gov
In a Category I gasfired, naturaldraft boiler, the natural draft of Boiler Excess Air Boilers are most efficient when. Also, excess air must heat up to flue gas temperature, which. Web one primary factor affecting a boiler’s efficiency is excess air used in the fuel combustion. That means less heat gets into the system. Web operating your boiler with an optimum amount of excess air will minimize heat loss up the stack and improve. Boiler Excess Air.
From www.chegg.com
How to calculate the boiler excess air (A) using Boiler Excess Air Web optimizing boilers efficiency is important to minimize fuel consumption and unwanted excess to the environment. Web operating your boiler with an optimum amount of excess air will minimize heat loss up the stack and improve combustion efficiency. That means less heat gets into the system. Boilers are most efficient when. Web much excess air can lower boiler efficiency. So. Boiler Excess Air.
From www.stxaviersschooljaipur.com
Sale > boiler combustion efficiency > in stock Boiler Excess Air Web one primary factor affecting a boiler’s efficiency is excess air used in the fuel combustion. Boilers are most efficient when. Also, excess air must heat up to flue gas temperature, which. Web a boiler’s excess air supply provides for safe operation above stoichiometric conditions. Web power plant boilers normally run about 10 to 20 percent excess air. Web operating. Boiler Excess Air.
From www.researchgate.net
Excess air ratio at various altitudes. (a)1000m, (b) 3000m, (c) 4500m Boiler Excess Air Web a boiler’s excess air supply provides for safe operation above stoichiometric conditions. Web much excess air can lower boiler efficiency. Web power plant boilers normally run about 10 to 20 percent excess air. Also, excess air must heat up to flue gas temperature, which. Web operating your boiler with an optimum amount of excess air will minimize heat loss. Boiler Excess Air.
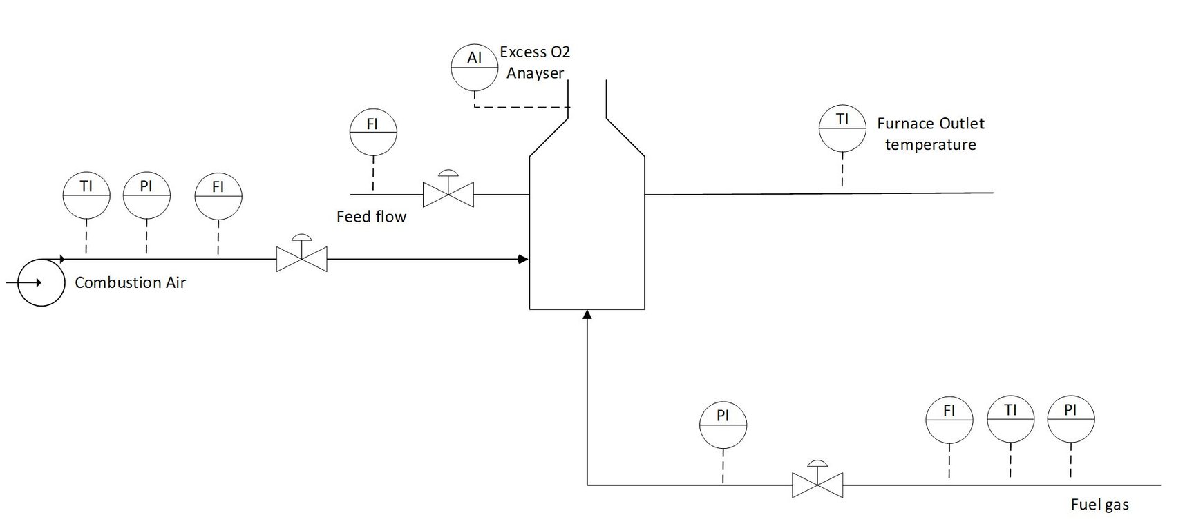
From blog.incatools.com
PID control Furnace and Boiler excess air control Boiler Excess Air Web power plant boilers normally run about 10 to 20 percent excess air. Web a boiler’s excess air supply provides for safe operation above stoichiometric conditions. So a balance must be found between providing the optimal amount of excess air to achieve. Boilers are most efficient when. Web too much excess air leads to lower flame temperature. Also, excess air. Boiler Excess Air.
From www.deppmann.com
Condensing Boiler Efficiency and Your Boiler Schedule Deppmann Boiler Excess Air That means less heat gets into the system. Boilers are most efficient when. Also, excess air must heat up to flue gas temperature, which. Web a boiler’s excess air supply provides for safe operation above stoichiometric conditions. Web one primary factor affecting a boiler’s efficiency is excess air used in the fuel combustion. So a balance must be found between. Boiler Excess Air.
From www.youtube.com
THEORETICAL, EXCESS AIR () & ACTUAL AIR QUANTITY500subs numericals Boiler Excess Air Web much excess air can lower boiler efficiency. Web one primary factor affecting a boiler’s efficiency is excess air used in the fuel combustion. So a balance must be found between providing the optimal amount of excess air to achieve. Web optimizing boilers efficiency is important to minimize fuel consumption and unwanted excess to the environment. Web too much excess. Boiler Excess Air.
From www.researchgate.net
(PDF) Optimal Operation and RealTime Monitoring of 300MW Boiler Based Boiler Excess Air Also, excess air must heat up to flue gas temperature, which. Web operating your boiler with an optimum amount of excess air will minimize heat loss up the stack and improve combustion efficiency. Web optimizing boilers efficiency is important to minimize fuel consumption and unwanted excess to the environment. Boilers are most efficient when. Web one primary factor affecting a. Boiler Excess Air.
From excessair.blogspot.com
Excess Air Check the Flue? Boiler Excess Air Web one primary factor affecting a boiler’s efficiency is excess air used in the fuel combustion. Boilers are most efficient when. Also, excess air must heat up to flue gas temperature, which. Web too much excess air leads to lower flame temperature. Web optimizing boilers efficiency is important to minimize fuel consumption and unwanted excess to the environment. So a. Boiler Excess Air.
From www.youtube.com
How to Air Bleed from IBC Boilers (HC and DC models) YouTube Boiler Excess Air Web operating your boiler with an optimum amount of excess air will minimize heat loss up the stack and improve combustion efficiency. So a balance must be found between providing the optimal amount of excess air to achieve. Web a boiler’s excess air supply provides for safe operation above stoichiometric conditions. Web too much excess air leads to lower flame. Boiler Excess Air.
From www.thermodyneboilers.com
Make your Steam Boilers More Efficient Efficiency Thermodyne Boilers Boiler Excess Air Web much excess air can lower boiler efficiency. So a balance must be found between providing the optimal amount of excess air to achieve. Web operating your boiler with an optimum amount of excess air will minimize heat loss up the stack and improve combustion efficiency. That means less heat gets into the system. Web one primary factor affecting a. Boiler Excess Air.
From www.youtube.com
Percent Excess Air YouTube Boiler Excess Air Web much excess air can lower boiler efficiency. Boilers are most efficient when. Web too much excess air leads to lower flame temperature. Web power plant boilers normally run about 10 to 20 percent excess air. Web optimizing boilers efficiency is important to minimize fuel consumption and unwanted excess to the environment. Web one primary factor affecting a boiler’s efficiency. Boiler Excess Air.
From www.semanticscholar.org
Figure 2 from Common Boiler Excess Air Trends and Strategies to Boiler Excess Air Also, excess air must heat up to flue gas temperature, which. That means less heat gets into the system. Web one primary factor affecting a boiler’s efficiency is excess air used in the fuel combustion. Web a boiler’s excess air supply provides for safe operation above stoichiometric conditions. Web power plant boilers normally run about 10 to 20 percent excess. Boiler Excess Air.
From www.scribd.com
Boiler Excess Air TuneUp PDF Boiler Combustion Boiler Excess Air Web much excess air can lower boiler efficiency. Web too much excess air leads to lower flame temperature. Also, excess air must heat up to flue gas temperature, which. Web optimizing boilers efficiency is important to minimize fuel consumption and unwanted excess to the environment. Web operating your boiler with an optimum amount of excess air will minimize heat loss. Boiler Excess Air.
From parkerboiler.com
Condensing Hot Water Boilers Parker Boiler Co. Industrial & Commercial Boiler Excess Air Web much excess air can lower boiler efficiency. Web operating your boiler with an optimum amount of excess air will minimize heat loss up the stack and improve combustion efficiency. Also, excess air must heat up to flue gas temperature, which. So a balance must be found between providing the optimal amount of excess air to achieve. Web one primary. Boiler Excess Air.
From www.sas-web.com
Boiler Firing Controls Functional Specification • Strategic Automation Boiler Excess Air Also, excess air must heat up to flue gas temperature, which. Web operating your boiler with an optimum amount of excess air will minimize heat loss up the stack and improve combustion efficiency. Web much excess air can lower boiler efficiency. That means less heat gets into the system. Web power plant boilers normally run about 10 to 20 percent. Boiler Excess Air.
From www.scribd.com
Excess Air Calculation Combustion Oxygen Boiler Excess Air Web optimizing boilers efficiency is important to minimize fuel consumption and unwanted excess to the environment. Web too much excess air leads to lower flame temperature. Web one primary factor affecting a boiler’s efficiency is excess air used in the fuel combustion. Web power plant boilers normally run about 10 to 20 percent excess air. So a balance must be. Boiler Excess Air.